Produktoversigt
| RVE35 Series Solar Pump VFD | | |
| | DC/AC INPUT | |
| | Raffineret design | |
| | MPPT | |
| Parametrisk | ||
| Model | RVE35-T3-90G ~ RVE35-T3-132G |
| Spænding | 350VDC til 800/900VDC input, 3 PH 380VAC til 440VAC input | |
| P nominel (kW) | 90/110/132 | |
| Nominel strøm (A) | 170/210/250/300 | |
| MPPT Vmp/Voc | 540/660 | |
| Dimensioner (mm) | 845*305*358 | |
Ansøgningsbaggrunde
| I de senere år, med den stigende alvorlighed af det globale "fødevareproblem" og "energiproblem" er solvandspumper gradvist blevet hyldet som de effektive industrielle integrationsprodukter til at løse problemet med at øge produktionen af effektiv dyrket jord og erstatte fossil energi med ren energi. Som et resultat blev der født en ny økonomisk model, hvor solindustrien udviklede sig i kombination med traditionelle industrier som landbrugsvandbeskyttelse, ørkenkontrol, brug af brugsvand og bymæssigt vandlandskab. |
Produktegenskaber
• Maksimal power point tracking (MPPT) med hurtig responshastighed og stabil drift
• Tørløbsbeskyttelse (under belastning).
• Motor maksimal strømbeskyttelse
• Beskyttelse af indgangseffekt
• Lav stop frekvens beskyttelse
• PQ (power/flow) ydeevnekurven gør det muligt at beregne flowoutputtet fra pumpen
• Digital styring til fuldautomatisk drift, datalagring og beskyttelsesfunktioner
• Intelligent strømmodul (IPM) til hovedkredsløbet
• LED-display betjeningspanel og understøttelse af fjernbetjening
• Dual mode AC- og DC-strømforsyningsindgang er tilgængelig
• Føler for lavt vand-sonde og vandstandskontrolfunktion
• Omgivelsestemperatur til brug: -10 til 50˚C.
| Raffineret design Installationsareal reduceret med 50 % Volumen reduceret med 30 % | |
| | Den fuldautomatiske tre-sikre malingsbelægningsmaskine bruges til at fortykke det beskyttende lag på printkortet, hvilket effektivt forhindrer beskadigelse af printkortet forårsaget af vindstøv, ætsende gas og fugtig luft. |
| | Brug fuldautomatisk detektionsudstyr til at teste forskellige elektriske indikatorer og beskyttelsesfunktioner for produkter under nominel belastning. |
| | Alle færdigvarer ældes under belastning i 48 timer ved en høj temperatur på 60 grader, og derefter testes alle elektriske indikatorer under belastning for at reducere produktfejlfrekvensen. |
Modelnomenklatur
Generel type S2 serie:
Vmp 310VDC eller 220VAC indgang, 1/3 fase 0-220VAC udgang
| Model | Vurderet aktuel ( A ) | Udgangsspænding ( VAC ) | Gælder for effekt (kW) pumpe | Ekstern af drevstørrelse H*B*D (mm) | MPPT Vmp/Voc |
| RVE35-S2-0R7G | 4 | 0-220 | 0.75 | 187*86*152 | 310/372 |
| RVE35-S2-1R5G | 7 | 0-220 | 1.5 | ||
| RVE35-S2-2R2G | 10 | 0-220 | 2.2 | ||
| RVE35-S2-3G | 13 | 0-220 | 3 | 265*105*164 | |
| RVE35-S2-4G | 16 | 0-220 | 4 |
Generel type T3-serie:
Vmp540 til 650VDC eller 380 til 460VAC input, 3 fase 0-380/460VAC udgang
| Model | Vurderet aktuel ( A ) | Udgangsspænding ( VAC ) | Gælder for effekt (kW) pumpe | Ekstern af drevstørrelse H*B*D (mm) | MPPT Vmp/Voc |
| RVE35-T3-0R7GB | 2,5/3,7 | 0-380/440 | 0.75 | 187*86*152 | 540/660 |
| RVE35-T3-1R5GB | 3,7/5 | 0-380/440 | 1.5 | ||
| RVE35-T3-2R2GB | 5/10 | 0-380/440 | 2.2 | ||
| RVE35-T3-4GB | 10/13 | 0-380/440 | 4.0 | ||
| RVE35-T3-5R5GB | 13/16 | 0-380/440 | 5.5 | 265*105*164 | |
| RVE35-T3-7R5GB (plastiketui) | 25/16 | 0-380/440 | 7.5 | ||
| RVE35-T3-7R5GB(jernetui) | 25/16 | 0-380/440 | 7.5 | 333*150*216 | |
| RVE35-T3-11GB | 25/32 | 0-380/440 | 11 | ||
| RVE35-T3-15GB | 32/38 | 0-380/440 | 15 | ||
| RVE35-T3-18GB | 38/45 | 0-380/440 | 18 | 383*180*228 | |
| RVE35-T3-22GB | 45/60 | 0-380/440 | 22 | ||
| RVE35-T3-30GB | 60/75 | 0-380/440 | 30 | 435*175*265 | |
| RVE35-T3-37GB | 75/90 | 0-380/440 | 37 | ||
| RVE35-T3-45G | 90/110 | 0-380/440 | 45 | 670*265*358 | |
| RVE35-T3-55G | 110/150 | 0-380/440 | 55 | ||
| RVE35-T3-75G | 150/170 | 0-380/440 | 75 | ||
| RVE35-T3-90G | 170/210 | 0-380/440 | 90 | 845*305*358 | |
| RVE35-T3-110G | 210A/250 | 0-380/440 | 110 | ||
| RVE35-T3-132G | 250A/300 | 0-380/440 | 132 | ||
| RVE35-T3-160G | 300A/340 | 0-380/440 | 160 | 788*500*360 | |
| RVE35-T3-185G | 340/380 | 0-380/440 | 185 | ||
| RVE35-T3-200G | 380/415 | 0-380/440 | 200 | 900*540*358 | |
| RVE35-T3-220G | 415/470 | 0-380/440 | 220 | ||
| RVE35-T3-250G | 470/520 | 0-380/440 | 250 | ||
| RVE35-T3-280G | 520/600 | 0-380/440 | 280 | 1035*620*400 | |
| RVE35-T3-315G | 600/680 | 0-380/440 | 315 | ||
| RVE35-T3-355G | 680/750 | 0-380/440 | 355 | 1290*780*410 | |
| RVE35-T3-400G | 750/810 | 0-380/440 | 400 |
Fremragende præstation
| | Højtydende vektorstyring til forbedring af udstyrets nøjagtighed |
| Den maksimale udgangsfrekvens under vektorstyring når 1500 Hz, hvilket kan opnå højpræcisionshastighedsoutput inden for det 1o gange svage magnetiske hastighedsreguleringsområde. | |
| | |
| | Perfekt drev til synkronmotorer |
| Aktuel bølgeform for synkronmotor i åben-sløjfe vektorkontroltilstand ved 500 Hz med 100 % nominel belastning. | |
| | |
| | Pålidelig varmeafledningsdesign |
| Den uafhængige dobbelte luftkanaldesignteknologi kan realisere brugen af solpumpedrevet med 50 ℃ ringtemperatur uden kapacitetsreduktion. |
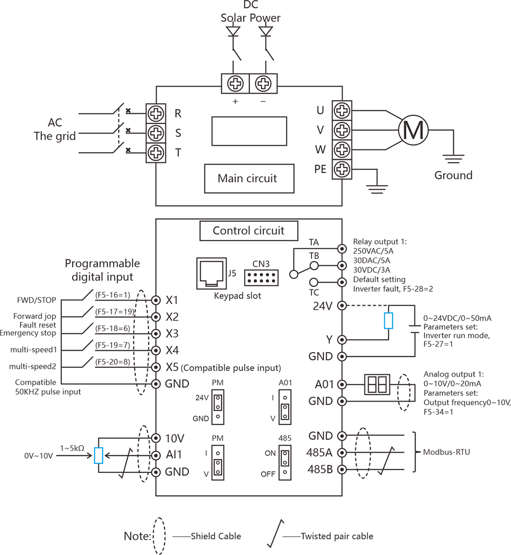
Ledningsdiagram
For RVE35 0,75kw-7,5kw produkter skal du være opmærksom på følgende:
1. Produktet indeholder ikke X6 og X7 logiske indgangsterminaler;
2. Produktet inkluderer kun 1 analog indgang, 1 analog udgang og 1 relæudgang










































